| 介绍: | 82-7型蓝宝石压力芯体,系由钛合金膜片与蓝宝石单晶绝缘体组成高温热熔而成,测量时不会发生滞后、疲劳和蠕变现象;蓝宝石有着非常好的弹性和绝缘特性(1000 ℃ 以内),对温度变化不敏感,即使在高温条件下,也有着很好的工作特性;另外,硅-蓝宝石半导体敏感元件,无p-n漂移抗辐射特性极强;因此,可应用于各种复杂环境场合。产品特点:◆ 压力测量范围宽(25MPa~200MPa) ◆ 温度测量范围宽(-4 |
|---|

82-7型蓝宝石压力芯体,系由钛合金膜片与蓝宝石单晶绝缘体组成高温热熔而成,测量时不会发生滞后、疲劳和蠕变现象;蓝宝石有着非常好的弹性和绝缘特性(1000 ℃ 以内),对温度变化不敏感,即使在高温条件下,也有着很好的工作特性;另外,硅-蓝宝石半导体敏感元件,无p-n漂移抗辐射特性极强;因此,可应用于各种复杂环境场合。
产品特点:
◆ 压力测量范围宽(25MPa~200MPa) ◆ 温度测量范围宽(-40 ~ +350℃)温度误差极小 ◆ 高精度,高稳定性 ◆ 重量轻,性价比高
应用场合:
◆ 潜油电泵、油田井下电子压力计配套专用 ◆ 工业现场过程压力控制 ◆ 航海及造船行业 ◆ 石油、化工行业 ◆ 发电厂、核电站 ◆ 各科研院所的实验室设备
技术参数:
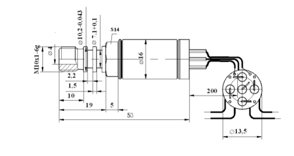
机械尺寸图:
压力类型 TG-表压 TA-绝压
量 程 0—10、16、25、40、60、100、150、200MPa
最大超压 量程的1.5倍
零点信号 <±1mV
满量程信号 5±0.2mV/V
灵敏度 优于0.01%F.S
综合误差 优于0.1%F.S
重复性及迟滞 <0.05%F.S
温补范围 +100~+250℃、+200~+350℃
工作温度 -40~+250℃、-40~+350℃ (极限温度可到400℃)
温飘(温补范围内) <2%(当精度0.1%时)
响应时间 <10ms
输入和输出阻抗 Rin>6KΩ Rout<7KΩ
供电 DC5V±0.001V(DC2~15V范围内可用)
绝缘阻抗 DC500V/500MΩ
单支重量 <30g
抗震等级 俄标G2
过程连接 M10×1
电气连接 红=V+:黑/灰=V-:绿=OUT+:白=OUT-
材质 钛合金 WTi9、WTi4
机械尺寸图

安装尺寸图



注意事项
本传感器不同部分所承受的温度上限是不一样的,使用时要注意!传感器本体的温度上限可以到400度,补偿板的温度上限是150度,导线的温度上限是200度(附图1)。
当使用温度高于200度时需要用户自己连接高温电缆,并保证补偿板部分的温度要小于150度。高温电缆可以使用激光电焊或铜管夹紧的方式(附图2)。


北京优利威科技有限公司专业从事各种传感器服务解决
如有需求或技术咨询请拨打:010-51294688
或关注优利威官方微信公众号:传感应用
